PT切換保護裝置廠家介紹-上海上繼科技有限公司
發表時間:2019-07-06 09:36 瀏覽次數:796 〖返回〗一、公司介紹:
上海上繼科技有限公司 是一家專業從事電力系統繼電保護及智能電網電力自動化產品的研發、設計、生產、銷售和服務為一體的高科技公司。公司依托國際大都市上海的優越環境,擁有資深繼電保護專家團隊,熟悉中國電網實際運行特點,聯合國內外**高校不斷引進國內外先進技術,積極響應市場的需求,技術不斷創新,堅持行業**地位,主要生產電力繼電器及微機綜合保護裝置,電力智能配電設備,變電站自動化監控系統。產品廣泛用于電力、工礦、鐵路、建筑等國家重大工程輸配變電系統上,產品遠銷東南亞及中東地區。
公司具備國內**的檢測儀器及校驗設備,建立了模擬運行老化系統,以精湛的技術嚴格的生產制造工藝,健全的生產管理體系,精耕細作,精益求精。產品通過國家繼電保護及自動化設備質量監督檢驗中心檢測,獲得ISO-9001:2000國際質量體系認證。
SJP-600E微機綜合保護裝置產品介紹
二、SJP-600E微機綜合保護裝置 產品實拍




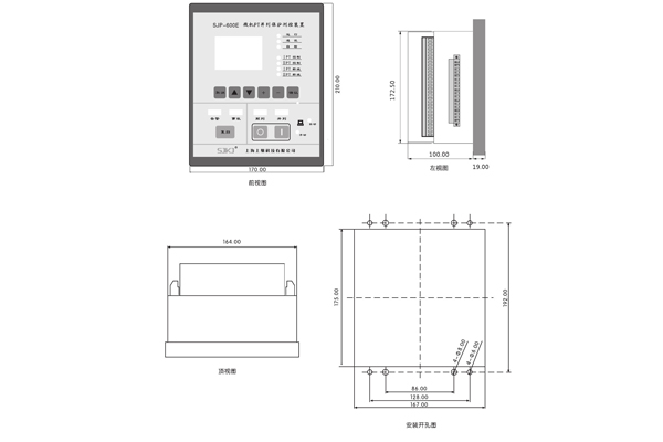
三、SJP-600E微機綜合保護裝置產品外形及開孔尺寸

四、SJP-600E微機綜合保護裝置產品參數
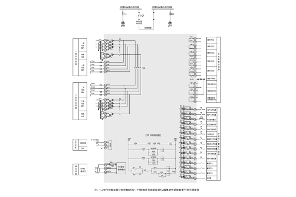
接線原理圖:



五、SJP-600E微機綜合保護裝置產品概述

上海上繼科技有限公司(專注PT切換保護裝置生產廠家)銷售熱線:021-57233089 QQ:1932551438
(以上內容僅供參考,上海上繼科技有限公司有最終解釋權}
更多繼電器精彩文章→JS-G2端子排靜態時間繼電器技術條件及使用
- 上一篇:PT切換保護裝置廠家
- 下一篇:PT切換保護裝置廠家簡介





