時間繼電器與相序繼電器特點及性能參數-上海上繼科技有限公司
發表時間:2019-08-13 09:49 瀏覽次數:930 〖返回〗
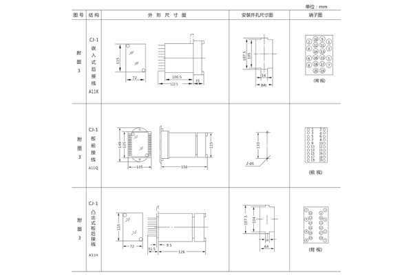
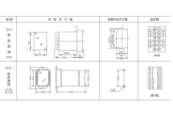
一、DS-36/2時間繼電器外形及開孔尺寸

二、DS-36/2時間繼電器接線圖

三、DS-36/2時間繼電器結構和原理
DS-36/2時間繼電器系一電磁鐵帶動一鐘表延時機構 ,電磁鐵可以由直流成交流電源供電,本系列中的交流時間繼電器其內部裝有橋式整流器, 將電源整流后供給電磁鐵。每臺繼電器內均有兩付瞬時轉換觸點.一付延時主觸點(終止觸點),根據不同的規格.可以安裝一付滑動延時觸點,其延時整定值,可以等于或小于延時主觸點的整定值;繼電器蓋子上可以裝設拖針,以指示繼電器動作情況, (規格表中型號后帶有X 的即為帯有拖針的規格)為便于維修,繼電器內部有插件,在取下蓋子后即可將繼電器部分抽出。
繼電器沒有動作時,瞬動轉換觸點的閉觸點閉合,延時觸點斷開 ,拖針指零,當向電磁鐵供電后,電磁鐵吸合,瞬時轉換觸點進行瞬時切換,鐘表機構開始轉動 ,延時動觸點向閉合方向移動,同時帶動拖針轉動 ,根據延時觸點的整定滑動觸點及主觸點先后接通 ,主觸點接通后由于止檔限制機構的轉動 ,機構停止,繼電器將可長期停留在主觸點點閉合的狀態下.當電源斷開后各觸點瞬時復歸至原來狀態.拖針留在該處,其指示值應符合主觸點整定值, (實際上拖針指示值應稍大于主觸點整定值,因為觸點在接通后仍可滑行一段距離,另外當電源在延時未完了時斷電,則拖針所指示的時間完全等于動觸點所產生的延時,因而拖針可指示出繼電器的復歸時間,便于分析間題)拖針可以方便的在繼電器外部復歸,將蓋子上的旋鈕依順時針方向旋轉,首先拖針碰到動觸點而停止.繼續轉動旋鈕,使刻度零位對準拖針為止。
四、DS-36/2時間繼電器技術數據
1.繼電器型號說明:
例: DS-31C/2XA11K
其中: DS表示電磁式時間繼電器。
31-38為設計序號,并用其第二位數字同時表示延時范圍,及電源種類(1-4為四種延時范圍同時表示直流電源, 5-8表示與1-4相同的延時范圍,但為交流電源)。
/2表示有滑動延時觸點。
/X表示有拖針。(見表1)


BXX-2相序繼電器主要用于相序檢測或斷相保護中,當相序為正確時,繼電器動作獲得輸出;當相序為不正確時或交流回路任一相斷線時,繼電器閉鎖。
一、BXX-2相序繼電器開孔尺寸

二、BXX-2相序繼電器接線圖

三、BXX-2相序繼電器參數
·額定線電壓: 380V、50Hz。
·觸點形式: 一轉換。
·電壓波動范圍: 80%~110%。
·功率消耗:在額定電壓下,三相總功率消耗不大于4VA。
·觸點容量:在有感負載直流電路中其時間常數為5±0.75ms,當電壓不大于220V.電流不大于0.4A,觸點容量不大于30W。
四、BXX-2相序繼電器應用
相序繼電器是由運放器組成的一個相序比較器,比較電壓幅值、頻率高低和相位。如果條件附合放大器導通,要是有單個條件不附合放大器閉合。相序繼電器主要用于相序檢測或斷相保護中,當相序為正確時,繼電器動作獲得輸出,當相序為不正確時或交流回路任一相斷線時繼電器閉鎖。
一般情況下,電動機工作的接線順序是有規定的,如果由于某種原因,導致相序發生錯亂,電動機將無法正常工作甚至損壞。三相電源中有A相、B相、C相,假如按ABC相序電源接入電動機,電動機是正轉,那么按ACB相序電源接入電動機,電動機就是反轉了。為了防止電動機反轉,就加入了相序繼電器,來防止進來電源相序反相,造成電動機反轉。
相序保護可采用相序繼電器,當電路中相序與指定相序不符時,相序繼電器將觸發動作,切斷控制電路的電源從而達到切斷電動機電源、保護電動機的目的。
上海上繼科技有限公司(專注電力保護繼電器生產廠家)銷售熱線:021-57233089 QQ:1932551438
(以上內容僅供參考,上海上繼科技有限公司有最終解釋權}
更多繼電器精彩文章→JZ-S/2415靜態可調延時中間繼電器技術要求及型號含義
- 上一篇:時間繼電器與水位信號裝置特點及性能參數
- 下一篇:時間繼電器與模數化結構繼電器





