JGL-12反時限過流繼電器-上海上繼科技有限公司
發表時間:2020-06-26 07:09 瀏覽次數:714 〖返回〗
一、JGL-12反時限過流繼電器主要技術性能
1、額定值:50Hz交流5A,波形畸變不超過2%。
2、過流整定范圍為2-9.9A(無輔助電源),級差為0.1A,電流整定值誤差不大于±3%。
3、速動倍數整定范圍為2-9.9倍,級差為0.1倍,電流速動整定值誤差不大于±3%。繼電器的速動電流用電流整定值的倍數表示:速動電流=速動倍數×整定電流。
4、速動動作時間:繼電器任一整定點上,在1.2倍速動電流時的動作時間不大于50ms。
5、返回系數:不小于0.9。
6、反時限特性曲線動作方程:

7、反時限特性時間整定誤差:
a)當I/Is<2時,平均誤差不大于10%;
b)當I/Is>2時,平均誤差不大于5%+30ms。
8、典型反時限特性,見下表:

9、功率消耗:
額定電流時功率消耗不大于6VA。
10、觸點容量
a、接通容量:在直流電壓不超過250V時,結構1型產品觸點連續接通電流為10A;
b、斷開容量:在電壓不超過250V的感性負荷回路中(L/R=5ms),結構1型產品分斷容量為50W。
c、過載能力:繼電器的觸點能可靠地斷開1.5倍規定容量的電流5次,且觸點的性能仍符合技術標準的要求。
11、介質強度:
在標準試驗大氣條件下,各導電部分連在一起對外露非帶電金屬部分及外殼之間,應能承受交流有效值2000V/50Hz的試驗電壓,歷時1min,無絕緣擊穿或閃絡現象。同一組動、靜觸點之間應能承受交流有效值1000V/50Hz的試驗電壓;歷時1min,無絕緣擊穿或閃絡現象。不同一組觸點之間應能承受交流有效值2000V/50Hz的試驗電壓,歷時1min,無絕緣擊穿或閃絡現象。
12、絕緣電阻在標準試驗大氣條件下,繼電器各導電部分對外露非帶電金屬部分及外殼之間,用開路電壓為500V的測試儀器測其絕緣值,應不小于20MΩ。
工作壽命:繼電器在規定的負荷下為80000次,平均無故障率時間為8萬小時。
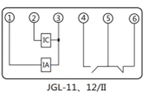
二、JGL-12反時限過流繼電器端子接線圖

a、在整定值范圍內,整定平均誤差的絕對值不大于3%;平均誤差=(5次測量平均值-整定值)/整定值×100%。
b、在標準條件下,同一整定值上測量的5次動作值的**值和最小值應不大于4%。
c、在-10℃50℃的溫度下,任一整定點誤差的絕對值應不大于整定值的5%。
d、在輔助電壓80~110%變化范圍內,任一整定值整定誤差的絕對值應不大于4%。
1、額定值:50HZ交流5A,波形畸變不超過2%。
2、過流整定范圍:2-10A,級差為0.1A。電流整定誤差不大于±3%。
3、速斷倍數整定范圍:2-9.9倍,級差為0.1倍。電流速斷整定誤差不大于±4%。4、速動動作時間:繼電器任一整定值上在1.2倍速動電流時動作時間不大于50ms。
5、返回系數:不小于0.85。
6、功率消耗:在額定電流時功率消耗不大于8VA。
7、觸點接通容量:在直流電壓不超過250V時,該產品觸點能連續接通電流為10A。
8、觸點斷開容量:在電壓不超過250V的感性負荷中,該產品觸點能分斷容量為50W。
9、介質強度:在標準試驗條件下,各導電部分連在一起對外露非帶電金屬部分及外殼之間應能承受交流有效值2000V/50HZ的試驗電壓,歷時1min無絕緣擊穿或閃絡現象。
絕緣電阻:繼電器各導電部分對外露非帶電金屬部分及外殼之間,
10、絕緣電阻:在標準試驗條件下,繼電器各導電部分對外飛帶電金屬部分及外殼之間,用開路電壓為500V的測試儀測其絕緣阻值應不小于20MΩ。
三、JGL-12反時限過流繼電器安裝和接線須知
1、為確保繼電器在使用中性能穩定及質量可靠,在使用之前一定要進行檢查和測試。
方法如下:
a、從包裝盒中取出繼電器。
b、檢查繼電器外觀是否完好,殼內有無凝露,內部元器件有無損壞。
c、確定繼電器外觀無損壞后,方可進行各測試及通電檢查。
d、檢查測試內容可根據實際情況而定,包括整定值、延時時間、絕緣、耐壓等內容,檢查方法應遵循JB3346-83《反時限過流繼電器技術條件》和其它有關標準以及說明書中有關技術指標的規定。
2、檢查測試結束后,即按以下步驟進行安裝。
a、首先應熟悉繼電器的各接線端子,再檢查安裝尺寸是否匹配。
b、根據使用要求接好外部接線。
c、經檢查確信接線無誤后,方可對電路進行通電試驗,以檢查其功能是否正確。
3、為確保安裝正確可靠,安裝結束后應進行仔細檢查。檢查內容包括:繼電器放置是否平衡;罩殼是否有破損;螺釘、螺母是否有松動;接線是否牢固等。檢查確信正常后,方可投入使用。
公司介紹:上海上繼科技有限公司是一家專業從事電力系統繼電保護及智能電網電力自動化產品的研發、設計、生產、銷售和服務為一體的高科技公司。擁有資深繼電保護專家團隊和國內**的檢測儀器及校驗設備。同時還引用國內外先進技術,來進行技術創新。本公司的產品廣泛用于電力、工礦、鐵路、建筑等國家重大工程輸配變電系統上,產品遠銷東南亞及中東地區。產品通過國家繼電保護及自動化設備質量監督檢驗中心檢測,獲得ISO9001國際質量體系認證。“科技創新,誠信務實”是公司的經營理念,本公司以高超的技術支持和對用戶高度負責的售后服務贏得了輸配電成套企業的信賴,且樹立了良好的信譽。
公司主營:繼電器(時間繼電器,電壓繼電器,電流繼電器,中間繼電器,信號繼電器,閃光繼電器,沖擊繼電器,同步檢查繼電器,接地繼電器,差動繼電器,重合閘繼電器,絕緣監視繼電器,雙位置繼電器,模數化繼電器),智能操控裝置,微機保護裝置,電力儀表
上海上繼科技有限公司(專注電力保護繼電器生產廠家)銷售熱線:021-57233089 QQ:1932551438
{以上內容僅供參考,上海上繼科技有限公司有最終解釋權}
更多繼電器精彩文章——JL-B/11電流繼電器應用范圍及技術條件
- 上一篇:JGL-11反時限過流繼電器
- 下一篇:JGL-13反時限過流繼電器





